
เรียบเรียงข้อมูลโดยกระปุกดอทคอม
ขอขอบคุณภาพประกอบจาก rose-lynnfisher
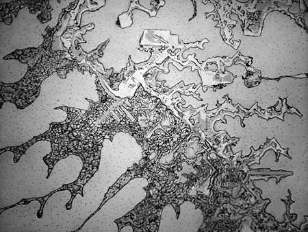
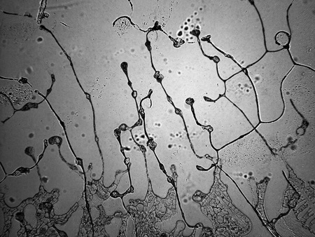
เชื่อว่าไม่มีใครในโลกนี้ไม่เคยร้องไห้ แต่การร้องไห้ที่เรากำลังพูดถึง ไม่ใช่แค่การร้องไห้เสียใจ แต่อาจเป็นน้ำตาไหลปริ่มด้วยความยินดี หัวเราะจนน้ำตาเล็ด เจ็บจนน้ำตาร่วง หรือจะเป็นน้ำตาไหลเพราะฝุ่นเข้าตา น้ำตาไหลเพราะหั่นหอมใหญ่ และอีกนานาสารพัดสาเหตุที่ทำให้คุณเสียน้ำตาได้ ว่าแต่อยู่ ๆ ก็ดันมีตากล้องสาวคนหนึ่งนามว่า โรส-ลินน์ ฟิชเชอร์ (Rose-Lynn Fisher) ผู้ได้ค้นพบความงดงามที่น่าทึ่งของน้ำตาเมื่อมองผ่านกำลังขยายของกล้องจุลทรรศ์เข้า และเธอก็เกิดสงสัยขึ้นมาอีกว่า น้ำตาที่ไหลออกมาจากการร้องไห้ด้วยสาเหตุต่าง ๆ นี้จะต่างกันไหม ?
ความสงสัยของเธอจึงกลายมาเป็นโปรเจคท์สุดเจ๋ง Topography of Tears ที่ฟิชเชอร์ได้เก็บสะสมตัวอย่างน้ำตาที่ร้องออกจากสาเหตุต่าง ๆ ทั้งจากของตัวเธอเองและจากของอาสาสมัคร ได้กว่า 100 อย่าง นำมาส่องผ่านกล้องจุลทรรศน์และถ่ายภาพเก็บเอาไว้ สวยงามอย่างน่าเหลือเชื่อเชียวล่ะ อยากรู้ไหมว่าน้ำตาแต่ละแบบหน้าตาเป็นอย่างไร มาชมกันเลย

น้ำตาที่ไหลท่วมดวงตา

น้ำตาจากการหัวเราะจนน้ำตาเล็ด

น้ำตาที่ไหลตอนหั่นหอมหัวใหญ่

น้ำตาที่ไหลเพราะความเปลี่ยนแปลง

น้ำตาจากการยุติเรื่องเก่า ๆ แล้วเริ่มต้นสิ่งใหม่

น้ำตาที่ไหลเพราะความโศกเศร้า

น้ำตาที่ไหลเพราะดีใจ

น้ำตาที่ไหลเพราะมีความหวัง

น้ำตาที่ไหลเพราะได้เป็นอิสระ

น้ำตาที่ไหลเพราะความรู้สึกปลอดโปร่งโล่งใจ

น้ำตาที่ไหลเพราะระลึกถึงเรื่องเก่า ๆ

น้ำตาที่ไหลเมื่อได้พบปะรวมหมู่
ทั้งนี้ หน้าตาที่แตกต่างกันของน้ำตาเหล่านี้ เกิดจากผลึกเกลือในน้ำตา ซึ่งจะออกมาเป็นรูปร่างแบบไหนก็ขึ้นอยู่กับกระบวนการทำให้น้ำตาแห้งนั่นเอง ซึ่งน้ำตาที่ไหลออกมาพร้อม ๆ กันจากตาข้างเดียวกัน หากถูกทำให้แห้งต่างกัน ก็ย่อมมีรูปร่างที่แตกต่างกันออกไปได้นะจ๊ะ





